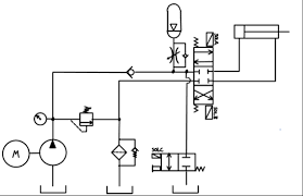
Accumulator In Hydraulic System. Hydraulic accumulators are energy storage devices. The function of an accumulator is to. Types of Accumulator - Hydraulic Accumulator A hydraulic accumulator can store fluid under pressure and perform hydraulic functions in a range of aspects. The hydraulic accumulator is widely used for storing energy in hydraulic system but it is a passive device.
Feel the Power - Bekijk het assortiment van Holmatro. Ruim 50 jaar wereldwijde ervaring met het leveren van hydraulische gereedschappen. The hydraulic accumulator is widely used for storing energy in hydraulic system but it is a passive device. Accumulators are found in numerous applications they are used in conjugation with the hydraulic system on large hydraulic presses construction equipment farm machinery power brakes automotive suspensions hatch covers on ships landing gear mechanism on airplanes etc. Dampen pressure surges in the hydraulic system caused by actuation of a unit and the effort of the pump to maintain. Ruim 50 jaar wereldwijde ervaring met het leveren van hydraulische gereedschappen.
Dampen pressure surges in the hydraulic system caused by actuation of a unit and the effort of the pump to maintain.
Accumulators come in a variety of forms and have important functions in many hydraulic circuits. They are used to store or absorb hydraulic energy. Accumulators usually are installed in hydraulic systems to store energy and to smooth out pulsations. The flowrate and volume of hydraulic oil adjusted by the accumulator are not well. Types of Accumulator - Hydraulic Accumulator A hydraulic accumulator can store fluid under pressure and perform hydraulic functions in a range of aspects. The function of an accumulator is to.